We develop tailored engineering solutions for our customers. Our main fields of expertise are in sectors such as Oil & Gas, Petrochemical, Power Generation and Industrial Plants.
Services
Agile & flexible. Our added value is in the high technical qualifications of our professionals.
Technical Assistance
Diagnosis and failure remediation of critical equipment, Process & energy efficiency, Asset integrity management.
Read MoreConceptual Engineering
Projects evaluation, decision making tree, Investment budgets, Terms & conditions, contractual documentation.
Read MoreBasic Engineering | Feed
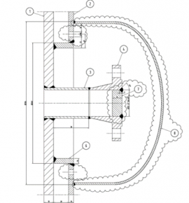
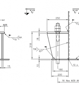
Calculation reports, Fabrication drawings, Material Take-off, Ispection activity programs, Erection drawings, As-built documentation.
Read MoreDetailed Engineering
Process units engineering, Preliminary Plot Plans, Process simulations, Equipment basic and detailed design.
Read MoreSpecialized Studies
Pressure loss optimization, Design of special components, Fluid simulations, Stress & flexibility analysis, Finite Element Analysis.
Read MoreProcurement Support
Request for Quotation & Purchase (RFQ |RFP), Technical-Economical Tabulation, Activation, Kick-off meetings (KOM).
Read MoreSHARE YOUR PROJECT WITH US
Tell us your projetcs and requeriments, we are pleased to work and find an efficient and cost-effective solution to your needs.
(+34) 913 408 851



























