
Project Info
Client
CONFIDENTIAL
Category
Detailed EngineeringLocation
Sarriá, Spain.
Description
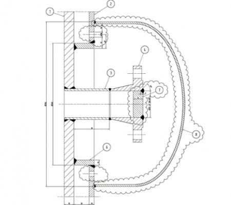
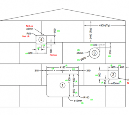
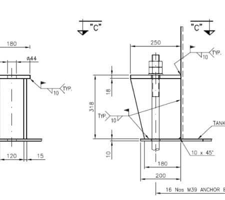
The purpose of this project was the analysis of the proposed pipe routing, location of supports (fixed points, guides, springs) and stress and flexibility analysis for an 8” NPS carbon steel steam line as per the configuration shown.
The analysis was performed in accordance with the code ASME B31.1, confirming that both its layout and the proposed supports satisfy the operating conditions, from the point of view of stresses, deformations, displacements and allowable stress.
 
		 
	 
						 
						 
						 
						 
						 
						 
						 
						 
						 
						 
						 
						 
						 
						 
						 
						 
						 
						 
						 
						 
						 
						 
						 
						 
						 
						 
						 
						 
						 
						 
						 
						 
						 
						 
						 
						 
						 
						 
						 
						 
						 
						 
						 
						 
						 
						 
						 
						 
						 
						 
						 
						 
						 
						 
						 
						 
						 
						 
						 
						 
						 
						 
						 
						 
						 
						 
						 
						 
						

