

Project Info
Client
CONFIDENCIAL
Category
Ingeniería de DetalleLocation
Huelva, España.
Description
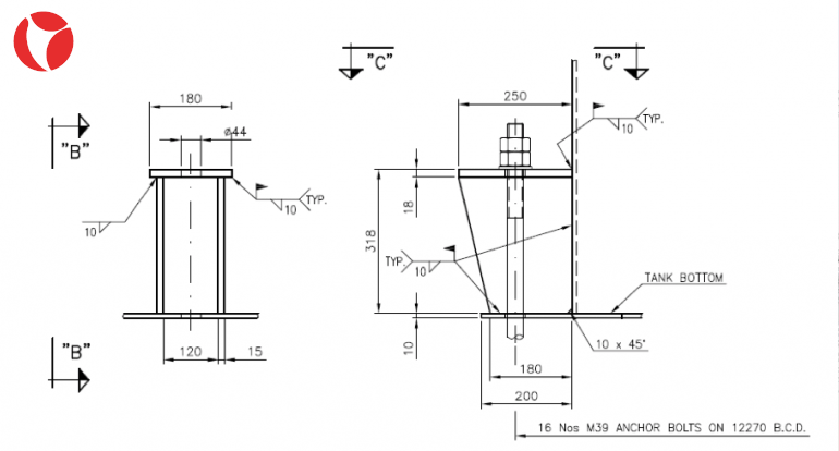
Diseño, cálculo y delineación de los pernos de anclaje para un tanque fabricado en Acero al Carbono, material SA36, operando a presión atmosférica y 55ºde temperatura de diseño. Se realizó el cálculo de los pernos de anclaje del equipo de acuerdo con el código API 650, el diseño de las silletas y la delineación de los planos constructivos para la fabricación de la misma.
 
		 
	 
						 
						 
						 
						 
						 
						 
						 
						 
						 
						 
						 
						 
						 
						 
						 
						 
						 
						 
						 
						 
						 
						 
						 
						 
						 
						 
						 
						 
						 
						 
						 
						 
						 
						 
						 
						 
						 
						 
						 
						 
						 
						 
						 
						 
						 
						 
						 
						 
						 
						 
						 
						 
						 
						 
						 
						 
						 
						 
						 
						 
						 
						 
						 
						 
						 
						 
						 
						

